
启东中锐石化设备有限公司
地址:启东市科技创业园跃龙路12号
电话:0513-83636001
手机:18962896291
传真:0513-83329754
邮箱:18962896291@163.com
邮编:226200
网址:www.qdzrsh.com
取样冷却器适用于温度较高的液体和气体等介质取样,具有结构紧凑、传热效率高、清洗方便、使用寿命长等优点,广泛用于石油、化工、轻工、电力等介质取样。
产品型号|
技术特性表
|
|||
|
|
设计压力
|
设计温度
|
操作介质
|
|
管程
|
3.92MPa
|
350℃
|
|
|
壳程
|
常 压
|
60℃
|
水
|
|
规格型号
(施工图图号) |
操作介质
|
盘管材质
|
设备开口DN
|
||||
|
1
|
2
|
3
|
4
|
5
|
|||
|
SCY-1A-1(S5-10-1)
|
油品
|
20
|
15
|
15
|
20
|
25
|
G1/2
|
|
SCY-1A-2(S5-10-2)
|
含硫油品
|
1Cr18Ni9Ti
|
15
|
15
|
20
|
25
|
G1/2
|
|
SCY-1A-3(S5-10-3)
|
油气
|
20
|
15
|
8(外
|
20
|
25
|
G1/2
|
|
SCY-1A-4(S5-10-4)
|
含硫油气、氢气
|
1Cr18Ni9Ti
|
15
|
8(外
|
20
|
25
|
G1/2
|
|
技术特性表
|
|||
|
|
设计压力
|
设计温度
|
操作介质
|
|
管程
|
0.58MPa
|
172℃
|
汽、水
|
|
壳程
|
0.58MPa
|
60℃
|
水
|
|
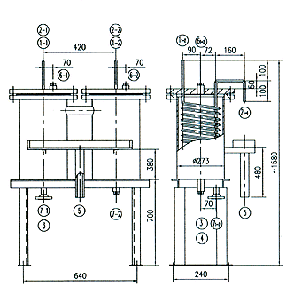
管口编号
|
名称或用途
|
数量
|
公称直径DNmm
|
公称压力PNMPa
|
备注
|
|
11-2
|
水蒸汽入口
|
2
|
10
|
|
|
|
21-2
|
水蒸汽出口
|
2
|
10
|
|
|
|
3
|
冷却水入口
|
1
|
40
|
2.0
|
GB9115.12-88
|
|
4
|
冷若冰霜却水出口
|
1
|
40
|
2.0
|
GB9115.12-88
|
|
5
|
排水口
|
1
|
50
|
|
|
|
61-2
|
上排空口
|
2
|
G1/2
|
|
带管塞
|
|
71-2
|
下排空口
|
2
|
G1/2
|
|
带管塞
|
|
技术特性表
|
|||
|
|
设计压力
|
设计温度
|
操作介质
|
|
管程
|
4.62MPa
|
275℃
|
汽、水
|
|
壳程
|
0.58MPa
|
60℃
|
水
|
|
管口编号
|
名称或用途
|
数量
|
公称直径DNmm
|
公称压力PNMPa
|
备注
|
|
11-4
|
水蒸汽入口
|
4
|
10
|
|
|
|
21-4
|
水蒸汽出口
|
4
|
10
|
|
|
|
3
|
冷却水入口
|
1
|
50
|
2.0
|
GB9115.12-88
|
|
4
|
冷却水出口
|
1
|
50
|
2.0
|
GB9115.12-88
|
|
5
|
排水口
|
2
|
50
|
|
|
|
61-4
|
上排空口
|
4
|
G1/2
|
|
带管塞
|
|
71-4
|
下排空口
|
4
|
G1/2
|
|
带管塞
|