
启东中锐石化设备有限公司
地址:启东市科技创业园跃龙路12号
电话:0513-83636001
手机:18962896291
传真:0513-83329754
邮箱:18962896291@163.com
邮编:226200
网址:www.qdzrsh.com
1、在线式手动清洗过滤器其滤件采用Johnson滤网,它是由楔形条与垂直排列支撑杆焊接,形成连续、均匀的条状缝隙,控制缝隙间隔来达到过滤的目的。具有过滤面积大、防止堵塞效果好,强度高,寿命长,容易清洗等优点,清洗时无需拆卸过滤的任何部件,只需开启排污阀,并同时转动过滤器上的手柄,旋转3~4圈,即可完成清洗。)
2、全自动刮板式过滤器具有自动清洗结构的在线过滤器,滤件采用高强度的Johnson滤网,因而具有过滤面积大,容易清洗等优点。过滤时,当过滤器进出口压差达到一定值时,过滤器的反冲洗系统开始自动操作,电机驱动不锈钢刷旋转,杂质微粒被转动的钢刷从滤件内壁刷下来,然后经排放阀排出,达到清洗目的。过滤器在整个过滤与清洗过程中,物料不断流,实现了连续化、自动化生产。
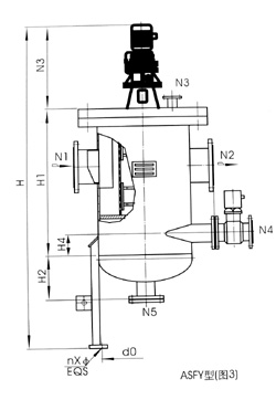
(一)Y型全自动刮板式过滤器(ASFY型)
|
技术特性表
|
|||
| 最大流量 | 700m3/h | 电机功率 | 0.37KW |
| 过滤面积 | 0.6m2 | 排放时间 | 15S |
| 最高工作作温度 | 100℃ | 排放量 | 主流量1% |
| 排放阀通 | Rc2 | 过滤精度 | 50~1000μm |
| 最大压力 | 1.0MPa (可以根据用户要求制作成1.6MPa) | ||
(二)L型全自动刮板式过滤器(ASFL型)
|
技术特性表
|
|
|
过滤面积
|
≥3倍进口截面积
|
|
公称压力
|
0.6 1.0 1.6 2.5MPa
|
|
最高工作温度
|
100℃
|
|
过滤精度
|
100~1000μm
|
|
电机功率
|
0.37KW
|
|
电磁阀排放时间
|
15~20S
|
|
公称直径
DN |
安装尺寸
|
||
|
D
|
L
|
H
|
|
|
50、65、80
|
φ400
|
716
|
1660
|
|
100、125
|
φ500
|
816
|
1740
|
|
150、200
|
φ600
|
916
|
1830
|